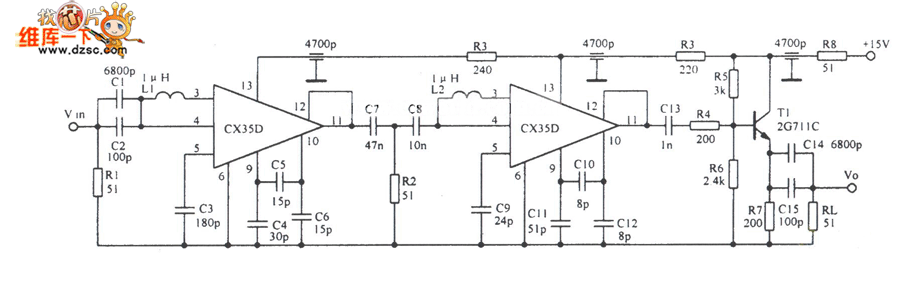
Published:2012/12/10 0:12:00 Author:Ecco | Keyword: 200MHz, broadband amplifier , low noise | From:SeekIC

Reprinted Url Of This Article:
http://www.seekic.com/circuit_diagram/Amplifier_Circuit/200MHz_broadband_amplifier_circuit_diagram_with_low_noise.html
Print this Page | Comments | Reading(3)
Code: