Published:2011/6/20 4:16:00 Author:TaoXi | Keyword: 20W-60HZ, servo circuit | From:SeekIC

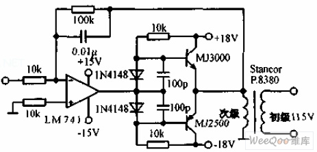
The 20W-60HZ servo circuit is as shown in the figure. This circuit adds two large current complementary transistors on the operational amplifier to make the servo amplifier to produce the 115V output voltage. The amplifier drives the low impedance 10V filament transformer, the primary stage and the subprime stage are reverse connected to improve the output voltage to 115V, the 115V output voltage can be used to drive the servo mechanism. The transistor needs to add the radiator.
Reprinted Url Of This Article:
http://www.seekic.com/circuit_diagram/Amplifier_Circuit/20W_60HZ_servo_circuit.html
Print this Page | Comments | Reading(3)
Code: