Published:2011/5/6 21:47:00 Author:TaoXi | Keyword: 2.1 channel, amplifier | From:SeekIC

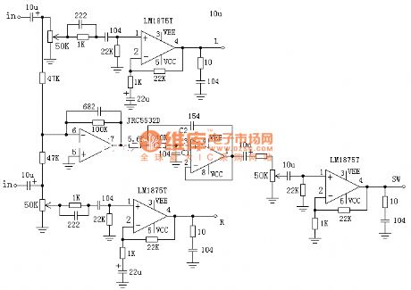
The 2.1 channel amplifier circuit is as shown:
Reprinted Url Of This Article:
http://www.seekic.com/circuit_diagram/Amplifier_Circuit/21_channel_amplifier_circuit.html
Print this Page | Comments | Reading(3)
Code: