Published:2009/7/8 22:32:00 Author:May | From:SeekIC

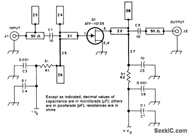
This low-noise amplifier requires no tuning, has a gain of 13 dB, and a typical NF of 0.6 dB at 2.3 GHz.
Reprinted Url Of This Article:
http://www.seekic.com/circuit_diagram/Amplifier_Circuit/23_GHz_MICROWAVE_PREAMP.html
Print this Page | Comments | Reading(3)
Code: