Published:2009/7/20 3:30:00 Author:Jessie | From:SeekIC

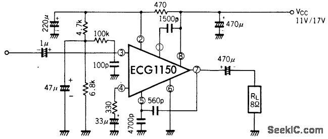
2.5-watt AF power amplifier. Recommended supply voltage is 17 volts. No-signal current is 24 mA. Input impedance is 85K (courtesy GTE Sylvania Incorporated).
Reprinted Url Of This Article:
http://www.seekic.com/circuit_diagram/Amplifier_Circuit/25_watt_AF_power_amplifier.html
Print this Page | Comments | Reading(3)
Code: