Published:2009/7/20 22:57:00 Author:Jessie | From:SeekIC

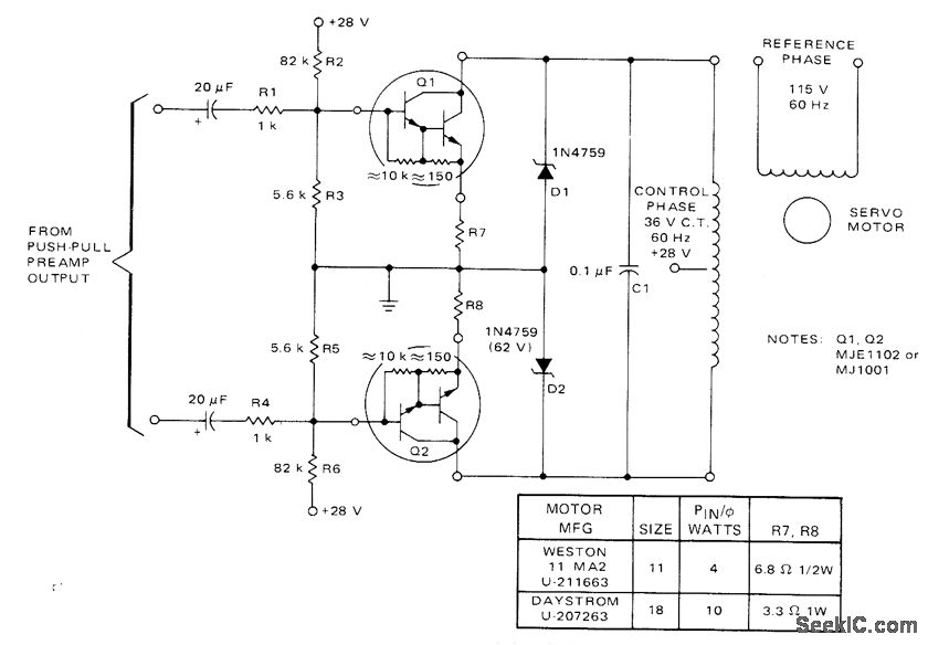
Power Darlingtons are used in common-emitter con-figuration to give high current gain for driving control phase of 60-Hz servo while providing high input impedance for preamp. No trans-formers are required. Darlingtons require heatsinks. Suitable for driving size 11 servo at 4 W and size 18 at 10 W if emitter resistors R7 and R8 are changed as in table.-A. Pshaenich, Servo Motor Drive Amplifiers, Motorola, Phoenix, AZ, 1972, AN-590.
Reprinted Url Of This Article:
http://www.seekic.com/circuit_diagram/Amplifier_Circuit/28_V_PUSH_PULL_POWER_AMPLIFIER.html
Print this Page | Comments | Reading(3)
Code: