Published:2009/7/6 5:09:00 Author:May | From:SeekIC


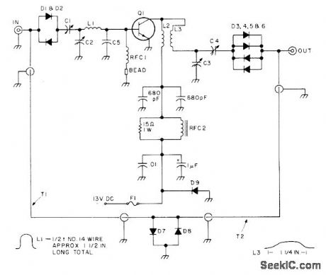
Provides 10-dB gain with full 30-W output at 160MHz and about 0.5-dB more gain at 150 MHz, using Motorola MRF238 transistor. C1-C4 are Arco 463, 464 or 424. RFC1 is 10 turns No. 20 on 270-ohm 1/2-W resistor. C5 is three 90-pF silver mica in parallel.RFC2 is 6 to 8 turns No. 18on toroid. L1 is 1/2turn No. 141 1/2inch long. L2 is 4 turns No. 14 spaced on 1/4inch diameter. L3 is 1 1/4-inch curve of No.14. D1-D8 are 1N4148. T1 and T2 are one quarter-wavelength of RG-174 or similar 50-ohm coax. D9 is 2-A silicon rectifier.-D. J.Lynch, Build a 2m Power Amp, 73 Magazine, Nov. 1977, p 96-97.
Reprinted Url Of This Article:
http://www.seekic.com/circuit_diagram/Amplifier_Circuit/2_METER_POWER_AMPLIFIER.html
Print this Page | Comments | Reading(3)
Code: