Published:2009/7/14 23:08:00 Author:Jessie | From:SeekIC



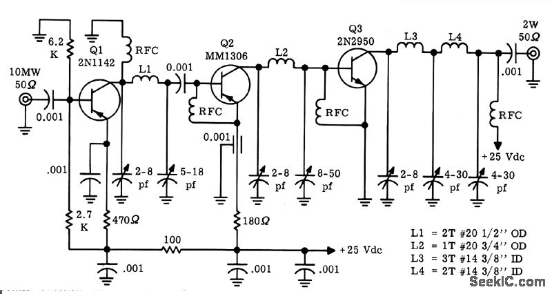
Uses 2N2950 npn silicon planar epitaxial transistor designed for medium-power high-frequency applications. Overall gain is 23 db. Intended for f-m or c-w applications only. For a-m, supply voltage on final stage must be reduced lo 12 v lo remain within voltage rating, and driver should also be 2N2950.-D. L. Adley, Designing 160 Mc FM or CR Circuitry Using a Silicon High Frequency Transistor, Motorola Application Note AN-168, Aug. 1965.
Reprinted Url Of This Article:
http://www.seekic.com/circuit_diagram/Amplifier_Circuit/2_WATT_POWER_AMPLIFIER_AT_160_MC.html
Print this Page | Comments | Reading(3)
Code: