Published:2009/7/10 21:28:00 Author:May | From:SeekIC

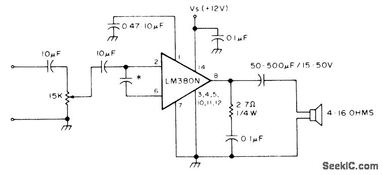
Complete basic circuit for most audio or communication purposes uses minimum of extemal parts. C3, used to limit high frequencies, can be in range of 0.005 to 0.05 F.-A. MacLean, How Do You Use ICs?, 73 Magazine, June 1977, p 184-187.
Reprinted Url Of This Article:
http://www.seekic.com/circuit_diagram/Amplifier_Circuit/2_W_LM380_POWER_AMPLIFIER.html
Print this Page | Comments | Reading(3)
Code: