Published:2009/7/21 6:17:00 Author:Jessie | From:SeekIC

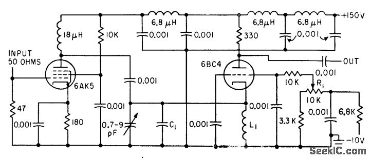
Bias control R1 on grounded-grid 6BC4 triode provides continuous change of bandwidth from 200 kc to 15 Mc, for changing search range. Insertion loss is 0 db.-R. Hirsch, Voltage-Variable Bandwidth Filter, Electronics, 35:22, p 46-47.
Reprinted Url Of This Article:
http://www.seekic.com/circuit_diagram/Amplifier_Circuit/30_MC_VARIABLE_BANDWIDTH_RADAR_PREAMP.html
Print this Page | Comments | Reading(3)
Code: