Published:2013/3/15 4:17:00 Author:Ecco | Keyword: 315 Watt, Class D , Power Amplifier | From:SeekIC

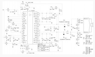
This audio amplifier based TAS5261 (bridge digital amplifier) has output power of 315 watts per channel and an efficiency up to 96% is suitable for use in a variety of Sound applications, such as home theater systems.
Reducing the cost and availability of high-bit ADC and digital signal processors have contributed to the emergence of high power amplifiers, D-class, based on pulse-width modulation. Work output transistor stages in a key mode of such amplifiers allows a few, sometimes dozens of times to increase efficiency, thereby reducing heat generation amplifier, its size and cost. Among all the audio amplifier device class D are the most cost-effective, thanks to the use of digital signal processing. It eliminates the possibility of distortion and noise in the pre-amplifier paths, streamlines and simplifies all kinds of linear and nonlinear signal conversion without using mechanical adjustment components, extends the functionality.
Reprinted Url Of This Article:
http://www.seekic.com/circuit_diagram/Amplifier_Circuit/315_Watt_Class_D_Power_Amplifier.html
Print this Page | Comments | Reading(3)
Code: