Published:2013/3/14 2:38:00 Author:Ecco | Keyword: 32 ohm , Headphones Amplifier | From:SeekIC

Here’s a little extra amplifier and really easy to make and inexpensive. It can also serve for a stereo headset (with cables completely separate left and right) for two small low-power headphone.
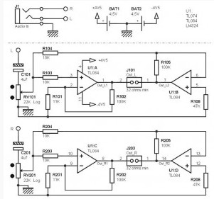
This 32 ohm Headphones Amplifier circuit built with an IC which consists of four op amps (TL074, TL084 and LM324). This amplifier circuit produces power 30 mW x 2 (1 stereo output for headphones 32 ohms) with a supply voltage + / -4.5 V (two 4.5 V batteries).
For each of the two channels, two op amp are connected in bridge amplifier, to provide headphones a voltage double that which would have been obtained with a single op amp. And in this type of wiring, which said dual voltage power quad also said, for the same load impedance. The same principle adopted by some manufacturers of car radios or amplifiers for high power while making use of reasonable voltages (more bridge circuit).
Reprinted Url Of This Article:
http://www.seekic.com/circuit_diagram/Amplifier_Circuit/32_ohm_Headphones_Amplifier.html
Print this Page | Comments | Reading(3)
Code: