Published:2009/7/8 22:48:00 Author:May | From:SeekIC

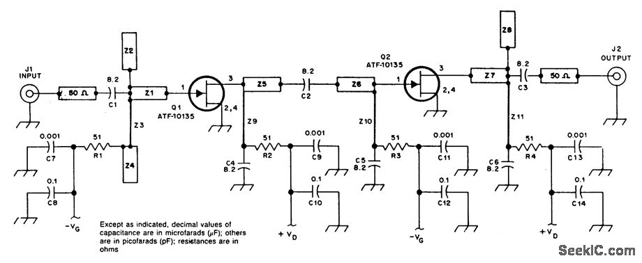
At 3.45 GHz, this 2-stage preamp has a gain of 23 dB (typical) and less than 1dB NF.
Reprinted Url Of This Article:
http://www.seekic.com/circuit_diagram/Amplifier_Circuit/34_GHz_MICROWAVE_PREAMP.html
Print this Page | Comments | Reading(3)
Code: