Published:2009/6/28 23:34:00 Author:May | From:SeekIC

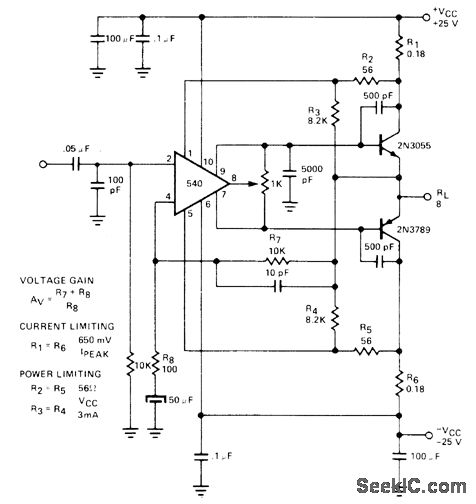
Signetics 540 drives complementary output transistors to give high output current for driving 8-ohm loudspeaker. Feedback is adjusted to give AC gain of 40 dB. Gain rolls of to unity at DC to prevent DC offset voltages from being amplified to level that might damage loudspeaker circuit. Power limiting is provided by placing resistor network around output stage.- Signetics Analog Data Manual, Signetics, Sunnyvale, CA, 1977, p 762-763.
Reprinted Url Of This Article:
http://www.seekic.com/circuit_diagram/Amplifier_Circuit/35_W.html
Print this Page | Comments | Reading(3)
Code: