Published:2009/7/20 4:39:00 Author:Jessie | From:SeekIC

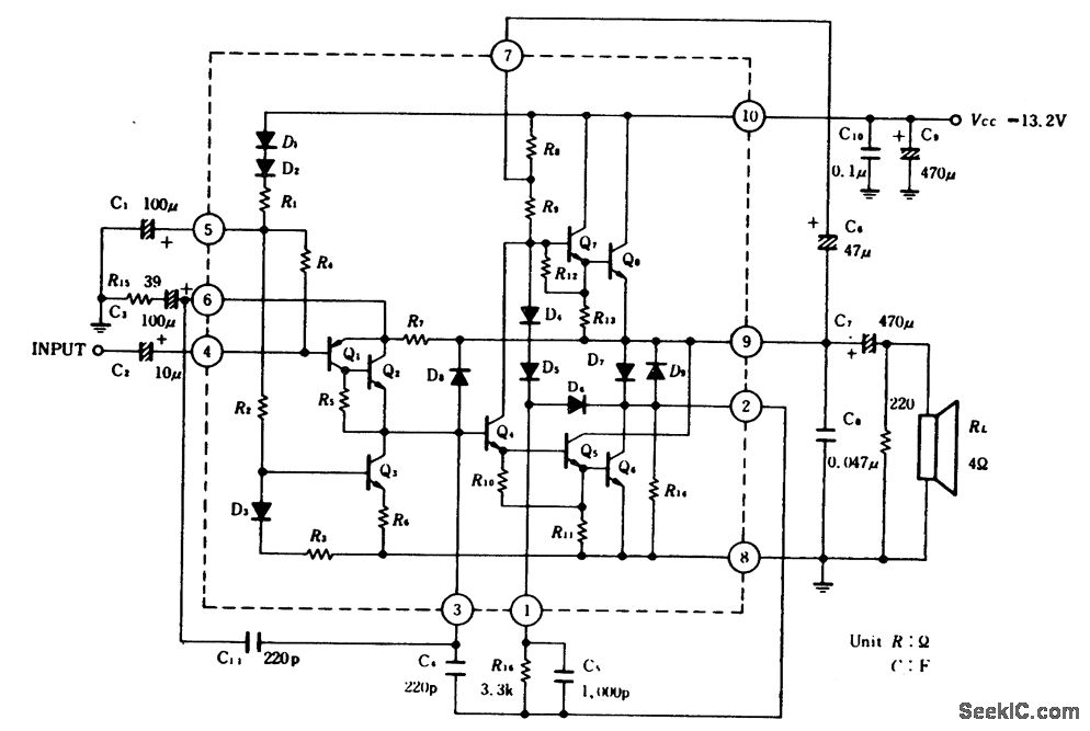
3.5-watt OTL audio power amplifier using an ECG1029. Voltage gain at 1 kHz is 44 dB (courtesy GTE Sylvania Incorporated).
Reprinted Url Of This Article:
http://www.seekic.com/circuit_diagram/Amplifier_Circuit/35_watt_OTL_audio_power_amplifier_using_an_ECG1029.html
Print this Page | Comments | Reading(3)
Code: