Published:2011/8/4 3:18:00 Author:May | Keyword: linear amplifier, 380MHz | From:SeekIC

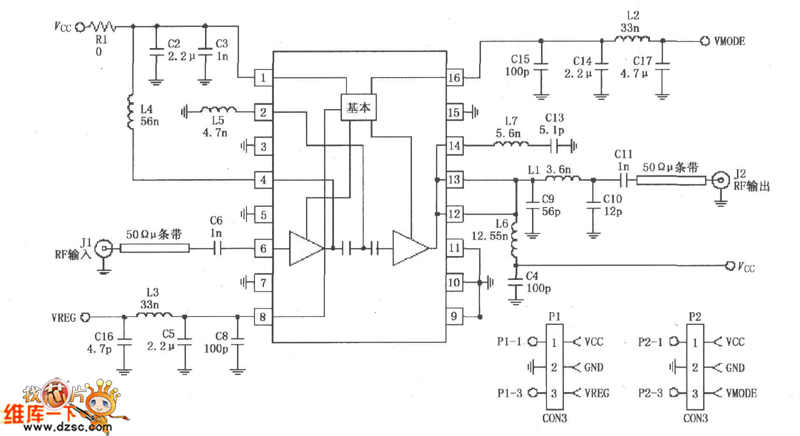
Radio-frequency signal ( RF) is input by pin 6 andoutput by pin 12, 13 after being enlarged by preamplifier, final amplifier. Pin 6 is directly coupled with inside amplifier, so we must add a blocking coupling capacitor. Pin 12 and 13 are used as the final stage power amplifier power supply end, which can provide bias current for the final amplifier. pin 14 is used as the second harmonic filter circuit, which uses the transmission lines or inductor and capacitor to form filter with resonance in 2f0, and it can provide low impedance path for the second harmonic, which can effectively short the second harmonic.
Reprinted Url Of This Article:
http://www.seekic.com/circuit_diagram/Amplifier_Circuit/380MHz_linear_amplifier_circuit_composed_of_RF2175.html
Print this Page | Comments | Reading(3)
Code: