Published:2009/7/24 3:34:00 Author:Jessie | From:SeekIC

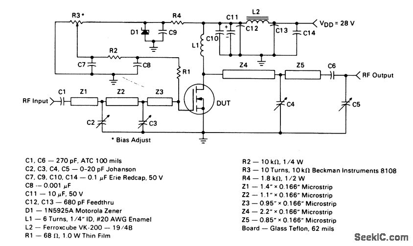
The electrical characteristics for the MRF134 shown in this circuit are given in Fig. 2-46B. Those not familiar with microstrip techniques(for Z1-Z5) should read the many Motorola publications,such as AN548A and AN555.
Reprinted Url Of This Article:
http://www.seekic.com/circuit_diagram/Amplifier_Circuit/400_MHz_50_-W_MOS_amplifier28_V_supply.html
Print this Page | Comments | Reading(3)
Code: