Published:2009/7/24 3:06:00 Author:Jessie | From:SeekIC


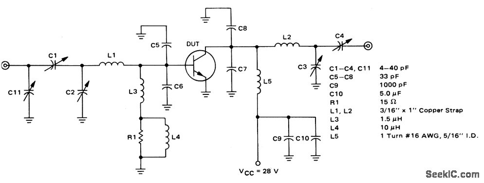
The electrical characteristics for the 2N6439 shown in this circuit are given in Fig.2-39B.
Reprinted Url Of This Article:
http://www.seekic.com/circuit_diagram/Amplifier_Circuit/400_MHz_60_W_amplifier_28_V_supply.html
Print this Page | Comments | Reading(3)
Code: