Published:2009/7/15 3:32:00 Author:Jessie | From:SeekIC

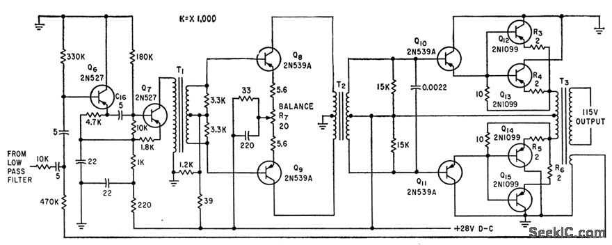
Has low internal impedance and low distortion, to Provide good output voltage regulation for d-c to 400-cps a-c inverter. Uses com pounded common-collector output stage. Delivers 55 w at 400-cps with only 2.4% total harmonic distortion.. -R. Wileman, Linear Circuits Regulate Solid-state Invertel, Electronics,33:16,p6l-63.
Reprinted Url Of This Article:
http://www.seekic.com/circuit_diagram/Amplifier_Circuit/400_cps_INVERTER_POWER_AMPLIFIER.html
Print this Page | Comments | Reading(3)
Code: