Published:2009/7/13 3:57:00 Author:May | From:SeekIC

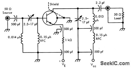
Gives averago Power gain of 8.6 db, bandwith of 48 Mc, and noise figure of 6 db Uses linear active network, designed with Linvill chart. Lead inductance was minimized by removing most of the Teflon from TO-18 socket so only thin disk, approximately chassis thickness, remains-Texas Instruments Inc., Solid-State Communcations, McGrow-Hill, NY.,1966, p 97.
Reprinted Url Of This Article:
http://www.seekic.com/circuit_diagram/Amplifier_Circuit/450_MC_R_F_AMPLIFIER.html
Print this Page | Comments | Reading(3)
Code: