Published:2009/7/20 23:23:00 Author:Jessie | From:SeekIC

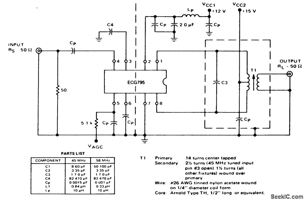
45 MHz/58 MHz RF amplifier. See listing for component values (courtesy GTE Sylvania Incorporated).
Reprinted Url Of This Article:
http://www.seekic.com/circuit_diagram/Amplifier_Circuit/45_MHz_58_MHz_RF_amplifier.html
Print this Page | Comments | Reading(3)
Code: