Published:2009/7/16 3:28:00 Author:Jessie | From:SeekIC

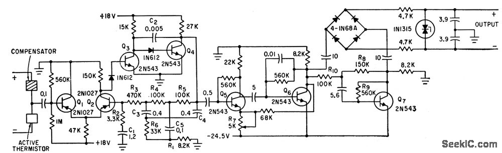
Uses differential input amplifier Q1-Q2 as part of four-stage direct-coupled front end of optically chopped radiometer. Parallel-T filter provides desired frequency characteristic and d-c path for negative feedback around direct-coupled amplifier.-F. Schwarz, Infrared Circuits in Tiros Satellites, Electronics, 34:38, p 43-45.
Reprinted Url Of This Article:
http://www.seekic.com/circuit_diagram/Amplifier_Circuit/46_CPS_AMPLIFIER_WITH_8_CPS_BANDPASS.html
Print this Page | Comments | Reading(3)
Code: