Published:2013/3/26 3:14:00 Author:Ecco | Keyword: 4W Stereo Amplifier | From:SeekIC

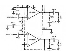
This is the diagram of 4W stereo power amplifier built based stereo power IC LM2877 with a few of external components. The circuit required single power supply with voltage range of 6VDC – 24VDC. Heatsink is a must to prevent over heating on the IC.
Reprinted Url Of This Article:
http://www.seekic.com/circuit_diagram/Amplifier_Circuit/4W_Stereo_Amplifier_using_LM2877.html
Print this Page | Comments | Reading(3)
Code: