Published:2011/4/28 19:14:00 Author:Christina | Keyword: 50Ω, impedance linear amplifier | From:SeekIC

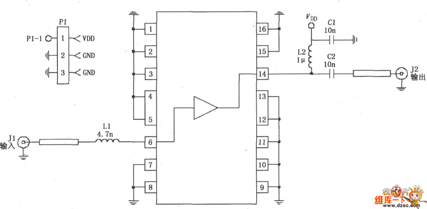
The 50Ω impedance linear amplifier circuit composed of the RF2320 is as shown:
Reprinted Url Of This Article:
http://www.seekic.com/circuit_diagram/Amplifier_Circuit/50Ω_impedance_linear_amplifier_circuit_composed_of_the_RF2320.html
Print this Page | Comments | Reading(3)
Code: