Published:2009/6/28 23:12:00 Author:May | From:SeekIC

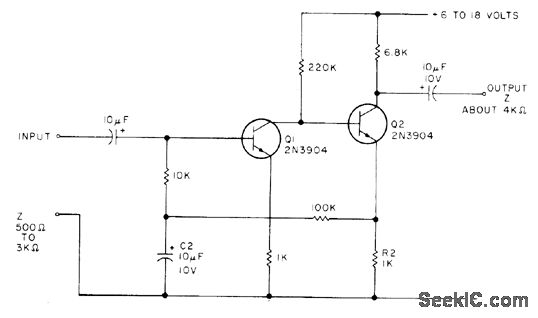
Simple audio amplifier having high gain, low noise, and excellent temperature stability can be used as mike booster, first AF amplifier stage in receiver, or for other preamp applications. With values shown, circult will amplify down to about 10 Hz. To increase low-frequency cutoff for speech amplifier, reduce 02 to 1μF or less.-E. Dusina, Build a General Purpose Preamp, 73 Magazine, Nov.1977,p 98.
Reprinted Url Of This Article:
http://www.seekic.com/circuit_diagram/Amplifier_Circuit/500_OHM_INPUT.html
Print this Page | Comments | Reading(3)
Code: