Published:2009/6/24 23:34:00 Author:May | From:SeekIC

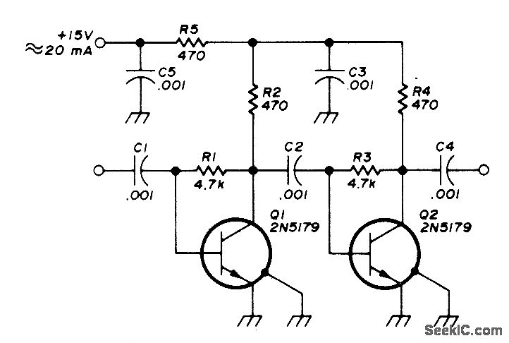
Two-stage general-pur-pose wideband small-signal amplifier provides nearly 14-dB gain at 150 MHz when inserted in 50-ohm transmission line with no tuned circuits at input or output. Noise figure with optimum source resistance is about 3 dB at 150 MHz. Am-plifier is capaeitively coupled common-emitter cascade. Capacitors make low-frequency gain begin dropping off below about 2 MHz. Increas-ing all capacitors to 0.01μF will lowerfrequency response to about 200 kHz.-R. Rhea, General Purpose Wideband RF Amplifier, Ham Radio, April 1975, p 58-61.
Reprinted Url Of This Article:
http://www.seekic.com/circuit_diagram/Amplifier_Circuit/500_kHz_TO_500_MHz.html
Print this Page | Comments | Reading(3)
Code: