Published:2009/6/25 22:08:00 Author:May | From:SeekIC

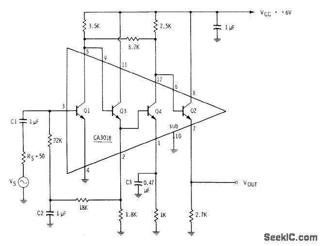
RCA CA3018 fourtransistor array is connected as two pairs of common-emitter emitter-follower combinations, with two feedback loops providing high DC stabilhy. One path goes from emitter of Q3 back to input, and other goes from collector of Q4 to collector of Q1. Values of C1, C2, and C3 give low-frequency cutoff (3 dB down) of 800 Hz.Upper cutoff is 32 MHz.-E.M.Noll, Linear IC Principles, Experiments, and Projects, Howard W. Sams, Indianapolis, IN,1974, p 165-168 and 174.
Reprinted Url Of This Article:
http://www.seekic.com/circuit_diagram/Amplifier_Circuit/50_dB_BROADBAND_VIDEO.html
Print this Page | Comments | Reading(3)
Code: