Published:2009/7/20 4:04:00 Author:Jessie | From:SeekIC

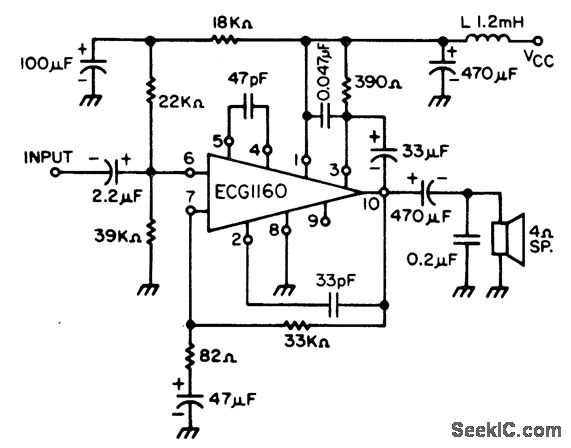
52-watt AF power amplifier for automotive applications. Recommended supply voltage is 13.2 volts. No-signal current drain is typically 28 mA. Voltage gain is 51.5 dB (courtesy GTE Sylvania Incorporated).
Reprinted Url Of This Article:
http://www.seekic.com/circuit_diagram/Amplifier_Circuit/52_watt_AF_power_amplifier_for_automotive_applications.html
Print this Page | Comments | Reading(3)
Code: