Published:2009/7/20 3:12:00 Author:Jessie | From:SeekIC

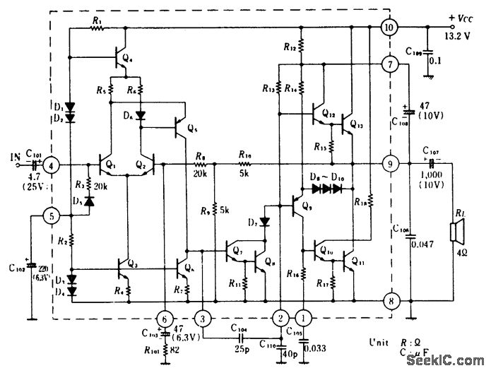
5.5-watt OTL audio power amplifier using an ECG1037. Typical voltage gain is 55dB. Frequency response is from 30 hertz and 50 kilohertz. Input impedance is 36K (courtesy GTE Sylvania Incorporated).
Reprinted Url Of This Article:
http://www.seekic.com/circuit_diagram/Amplifier_Circuit/55_watt_OTL_audio_power_amplifier_using_an_ECG1037.html
Print this Page | Comments | Reading(3)
Code: