Published:2009/7/8 22:41:00 Author:May | From:SeekIC

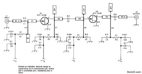
This preamplifier has a typical gain of 17 dB and NF=1.2 dB or better. If a 0.031 PC board (with a dielectric constant of 2.2) is used, the reverse side is unetched.
Reprinted Url Of This Article:
http://www.seekic.com/circuit_diagram/Amplifier_Circuit/57_GHz_MICROWAVE_AMPLIFIER.html
Print this Page | Comments | Reading(3)
Code: