Published:2009/7/23 23:01:00 Author:Jessie | From:SeekIC

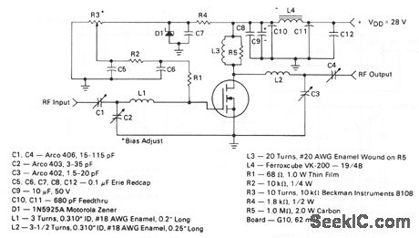
This circuit uses an MRF134 and has a gain of 10.5 dB.
Reprinted Url Of This Article:
http://www.seekic.com/circuit_diagram/Amplifier_Circuit/5_W_400_MHz_TM0S_FET_amplifier.html
Print this Page | Comments | Reading(3)
Code: