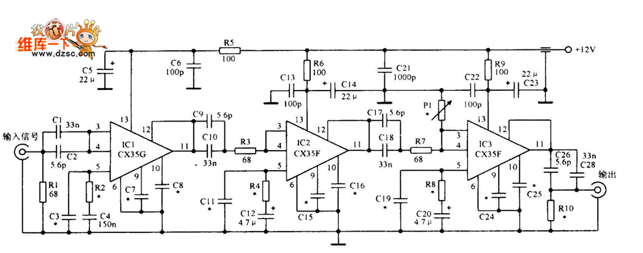
Published:2011/5/16 2:51:00 Author:Christina | Keyword: 600MHz, broadband amplifier | From:SeekIC

The 600MHz broadband amplifier circuit is as shown:
Reprinted Url Of This Article:
http://www.seekic.com/circuit_diagram/Amplifier_Circuit/600MHz_broadband_amplifier_circuit.html
Print this Page | Comments | Reading(3)
Code: