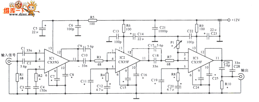
Published:2011/12/9 0:11:00 Author:Ecco | Keyword: 600MHz , low -power, broadband amplifier | From:SeekIC

Reprinted Url Of This Article:
http://www.seekic.com/circuit_diagram/Amplifier_Circuit/600MHz_low__power_broadband_amplifier_circuit_diagram.html
Print this Page | Comments | Reading(3)
Code: