Published:2013/3/26 3:01:00 Author:Ecco | Keyword: 65W Power Amplifier , HEXFET | From:SeekIC

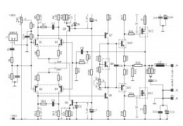
This is a high quality 65W power amplifier circuit based HEXFET IRF9540 and IRF540. The circuit is quite simple for amplifier with good sound quality. The component parts is easy to find at electronic store around your place. It uses split power supply. Q8, Q10, Q11, Q12, Q13 should be mounted on heatsink for thermic stability.
Reprinted Url Of This Article:
http://www.seekic.com/circuit_diagram/Amplifier_Circuit/65W_Power_Amplifier_using_HEXFET.html
Print this Page | Comments | Reading(3)
Code: