Published:2009/7/9 2:12:00 Author:May | From:SeekIC


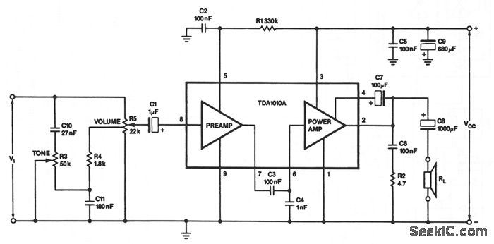
This monolithic IC, class-B, audio amplifter circuit is a 6-W car radio amplifter for use with 4-Ω and 2- Ω load impedances.
Reprinted Url Of This Article:
http://www.seekic.com/circuit_diagram/Amplifier_Circuit/6_W_AUDIO_AMPLIFIER_WITH_PREAMP.html
Print this Page | Comments | Reading(3)
Code: