Published:2011/3/21 0:56:00 Author:may | Keyword: 887~924MHz, mplifier | From:SeekIC

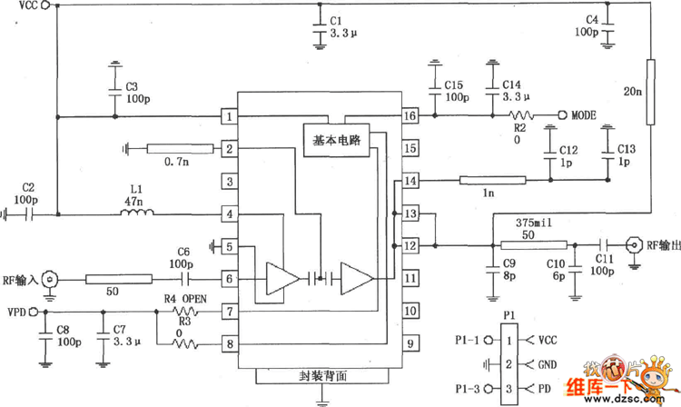
887~924MHz power amplifier circuit consist of RF2152 is show in the following diagram:
Reprinted Url Of This Article:
http://www.seekic.com/circuit_diagram/Amplifier_Circuit/887~924MHz_power_amplifier_circuit_consist_of_RF2152.html
Print this Page | Comments | Reading(3)
Code: