Published:2011/10/24 1:23:00 Author:May | Keyword: 915MHz, power amplifier | From:SeekIC

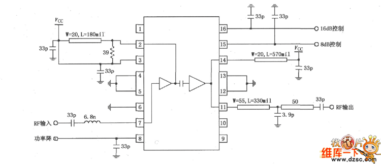
The diagram is 915MHz power amplifier application circuit composed of RF2155. Radio-frequency signal (RF) is input by pin 7, then it is output by pin 11 after enlarged by preamplifier and final power amplifier. Pin 7 and internal amplifierare directly coupled. So it is advised to add UHF blocking coupling capacitorto the out end of pin 7. Final power amplifier is mismatching collector transistor, output end of pin 11 and pin 14 is connected inside of the chip, pin 14 is used as final power amplifier supply side, it offers bias current to final power supply. Pin 14 is also used as thesecond harmonics filter circuit. It uses about 500mils transmission line as inductance. Pin 8 connects to power control foot (PC), and it can control this pin voltage thus control power. When voltage is low( 0V), amplifier power is in the open state; when voltage is inhigh level (3V), amplifier is in the total power working state.
Reprinted Url Of This Article:
http://www.seekic.com/circuit_diagram/Amplifier_Circuit/915MHz_power_amplifier_application_circuit_composed_of_RF2155.html
Print this Page | Comments | Reading(3)
Code: