Published:2011/7/10 3:33:00 Author:chopper | Keyword: AC-DC, converter circuit | From:SeekIC

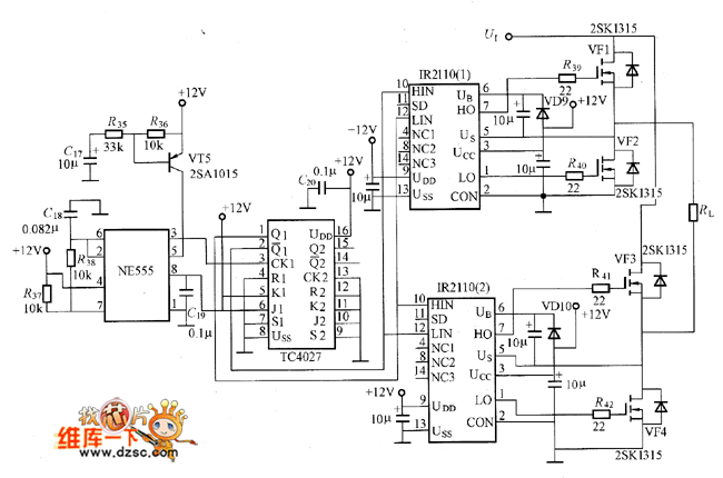
Figure shows an AC-DC converter circuit.In the circuit,NE555 constitutes oscillator,and the oscillation frequency varies between 200 and 600Hz.NE555 output signal willgain the 50% duty ratio auxiliary signal after it gets a 2 frequency demultiplication by TC4027.When the bulb begins to discharge,VT5's role is to improve the control voltage of NE555,and reduce its oscillation frequency.Output of TC4027 is loaded directly to the power MOSFET drive circuit IR2110,it should be noted that if high and low power MOSFET are conductive at the same time,there will be a large current through the channel,therefore,we should adjust the timing sequence of TC4027 output signal.
Reprinted Url Of This Article:
http://www.seekic.com/circuit_diagram/Amplifier_Circuit/AC_DC_converter_circuit.html
Print this Page | Comments | Reading(3)
Code: