Published:2009/7/2 1:56:00 Author:May | From:SeekIC

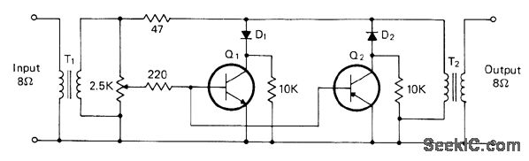
Designed for use just ahead of 8-ohm loudspeaker in receiver covering lower amateur phone bands (75 and 40 me-ters). Reduces hissing noise caused by shortwave diathermy, electric motors, and fluorescent lighting, as well as impulse noise generated by auto ignition system or atmospheric interference. T1 and T2 are transistor radio output transformers with 500:4 or 600:8 ohm impedance. Q1 is 2N2222 NPN transistor. Q2 is 2N29O7 PNP transistor. D1 and D2 are 1N270.-C. Laster. An Audio Powered Noise Clipper. CQ. May 1976. p 26-27.
Reprinted Url Of This Article:
http://www.seekic.com/circuit_diagram/Amplifier_Circuit/AF_POWERED_CLIPPER.html
Print this Page | Comments | Reading(3)
Code: