Published:2009/7/6 4:21:00 Author:May | From:SeekIC

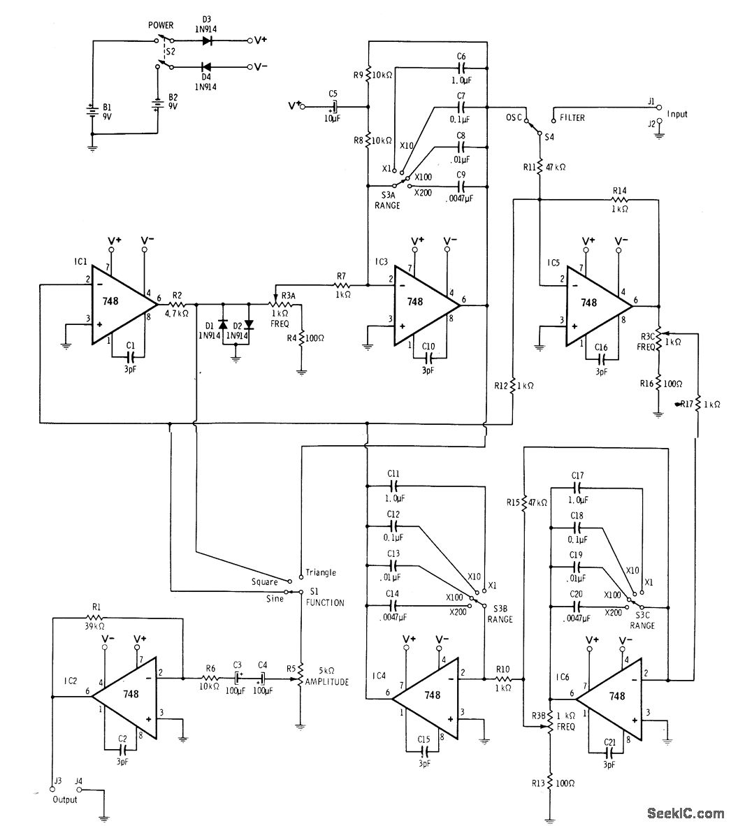
Can be tuned over entire audio spectrum in four ranges for generation of low-distortion waves for laboratory use. IC1 converts sine wave to square wave. IC3 acts as integrator converting squarewave output of IC1 to triangle wave. IC4-IC6 form statevariable filter for removing sinewave componentfrom triangle wave. IC2 is simple inverting amplifier for output.-R.Melenand H. Garland,″Understanding lC Operational Amplifiers,″Howard W.Sams,Indianapolis,IN,2nd Ed.,1978,p 130-134.
Reprinted Url Of This Article:
http://www.seekic.com/circuit_diagram/Amplifier_Circuit/AF_SINE_SQUARE_TRIANGLE.html
Print this Page | Comments | Reading(3)
Code: