Published:2009/7/20 3:22:00 Author:Jessie | From:SeekIC

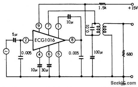
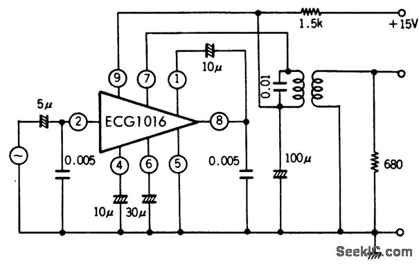
AF preamplifier with a thin-film hybrid module. Output is between 0.42 and 0.90 volts at 1 kHz with a 2 mV input. Distortion is less than 3%. The AF transformer is standard and can be purchased at Radio Shack (courtesy GTE Sylvania Incorporated).
Reprinted Url Of This Article:
http://www.seekic.com/circuit_diagram/Amplifier_Circuit/AF_preamplifier_with_a_thin_film_hybrid_module.html
Print this Page | Comments | Reading(3)
Code: