Published:2012/9/12 20:44:00 Author:Ecco | Keyword: AM-FM-TV, RF AMPLIFIER | From:SeekIC

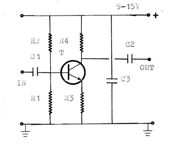
The circuit is a universal amplifier that can amplify any rf signal. You can use the BF194 or the BF198. Make sure you use coaxial cable.
Reprinted Url Of This Article:
http://www.seekic.com/circuit_diagram/Amplifier_Circuit/AM_FM_TV_RF_AMPLIFIER.html
Print this Page | Comments | Reading(3)
Code: