Position: Home > Circuit Diagram > Amplifier Circuit > AN360—the low noise audio preamplifier integrated circuit

Amplifier Circuit

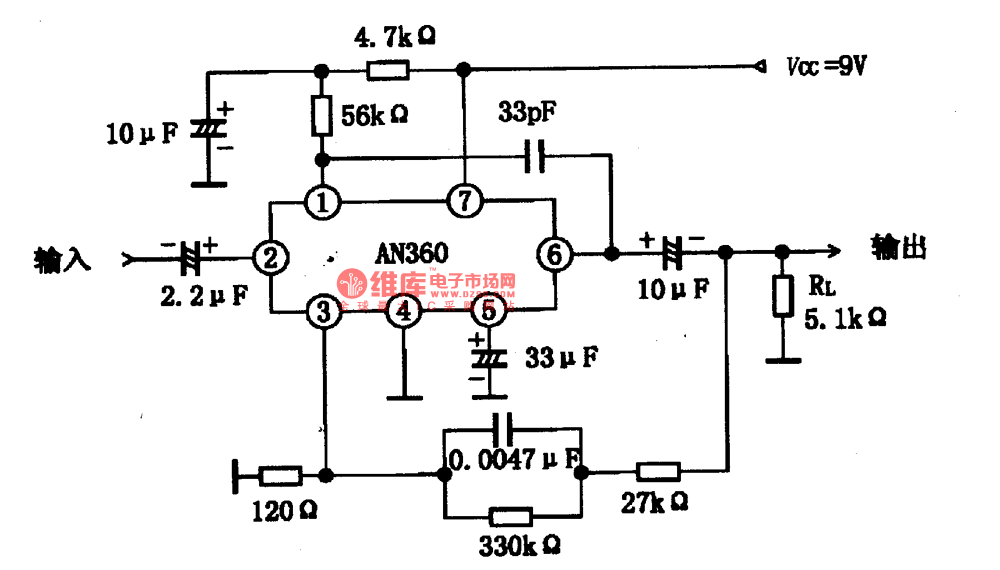
AN360—the low noise audio preamplifier integrated circuit

Published:2011/7/15 19:38:00 Author:Borg | Keyword: audio preamplifier, integrated circuit | From:SeekIC

Print this Page | Comments | Reading(3)

To evaluate my
Code: