Published:2011/5/19 6:07:00 Author:Borg | Keyword: integrated reproducing circuit, single door | From:SeekIC




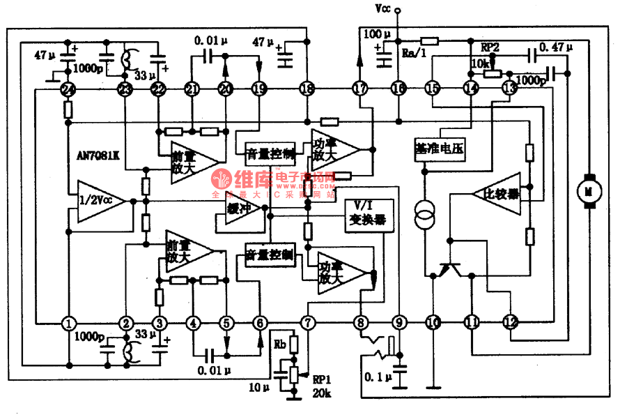
1.the function feature of AN7081K(1)there is a motor-steady circuit(equal to AV6550), so one chip can fulfill all the functions of a common radio. It is convenient to use, while the earlier two generations need a outer motor-steady circuit.(2)The 6 resistances in both right and left channels of the preset balance amplifier circuit are fixed in the IC, so 6 outer resistances are not necessary any more.(3)The output GL capacitor (220μF), shock eliminating capacitor(0.033μF) and negative feedback capacitor(1OμF) of power amplifier stage are removed, so 6 capacitors in total are saved.
Reprinted Url Of This Article:
http://www.seekic.com/circuit_diagram/Amplifier_Circuit/AN7081K_the_integrated_reproducing_circuit_of_single_door_stereo.html
Print this Page | Comments | Reading(3)
Code: