Published:2009/7/7 21:48:00 Author:May | From:SeekIC

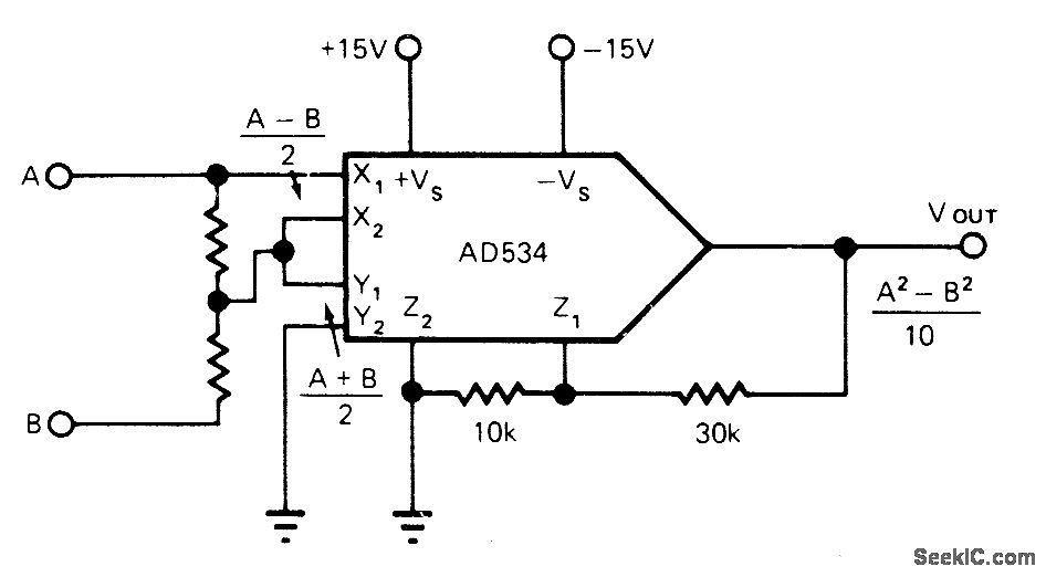
Transfer function Vour = (A2-B2)/10 is easily generated by AD534 analog multiplier.Differential inputs on Z terminals permit addition of feedback attenuator to decrease scale factor (or increase signal gain) from 40 to nominal value of 10. Feedback attenuation increases output offset proportionally; to make offset adjustment, connect 4.7-megohm resistor between Z1 and wiper of 50K pot connected across power supplies.-R. Frantz, Analog Multipliers-New IC Versions Manipulate Real-World Phenomena with Ease, EDN Magazine, Sept. 5, 1977, p 125-129.
Reprinted Url Of This Article:
http://www.seekic.com/circuit_diagram/Amplifier_Circuit/ASUP2_SUP_BSUP2_SUP.html
Print this Page | Comments | Reading(3)
Code: