Published:2009/6/15 23:13:00 Author:May | From:SeekIC

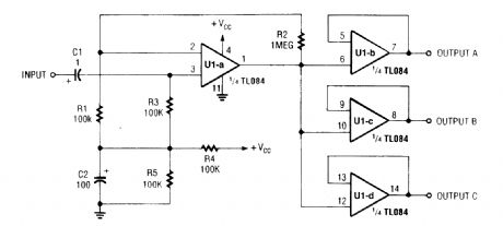
Three low-Z audio outputs are available from this circuit, using a quad TL084 FET amplifier. The input is high impedance. VCC can be 6 to 12 V for typical applications.
Reprinted Url Of This Article:
http://www.seekic.com/circuit_diagram/Amplifier_Circuit/AUDIO_DISTRIBUTION_AMPLIFIER.html
Print this Page | Comments | Reading(3)
Code: