Published:2009/7/21 6:29:00 Author:Jessie | From:SeekIC

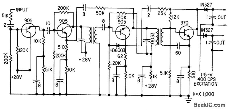
Reliable pitch-axis channel uses four npn silicon transistors.-C. W. McWilliams, Designing Safety Into Automatic Pilot Systems, Electronics, 31:45, p 69-71.
Reprinted Url Of This Article:
http://www.seekic.com/circuit_diagram/Amplifier_Circuit/AUTOPILOT_PREAMP.html
Print this Page | Comments | Reading(3)
Code: