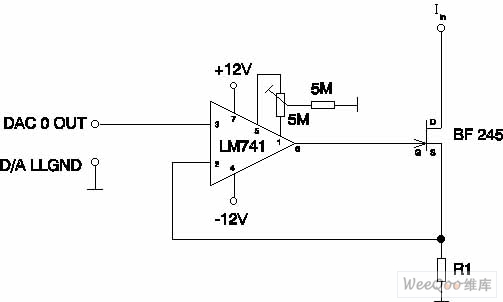
Published:2011/5/9 9:33:00 Author:Joyce | Keyword: A/D, Converter, Output, Interface, Composed of uA741 | From:SeekIC

A/D Converter Output Interface Circuit Composed of uA741
Reprinted Url Of This Article:
http://www.seekic.com/circuit_diagram/Amplifier_Circuit/A_D_Converter_Output_Interface_Circuit_Composed_of_uA741.html
Print this Page | Comments | Reading(3)
Code: