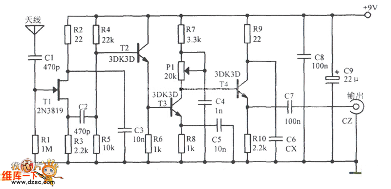
Published:2011/10/14 2:21:00 Author:Ecco | Keyword: short-wave signal amplifier | From:SeekIC

Reprinted Url Of This Article:
http://www.seekic.com/circuit_diagram/Amplifier_Circuit/A_short_wave_signal_amplifier_circuit_diagram.html
Print this Page | Comments | Reading(3)
Code: