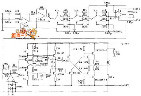
Published:2011/12/8 20:46:00 Author:Ecco | Keyword: Active servo , power amplifier , lifting subwoofer | From:SeekIC

Reprinted Url Of This Article:
http://www.seekic.com/circuit_diagram/Amplifier_Circuit/Active_servo_power_amplifier_circuit_for_lifting_subwoofer.html
Print this Page | Comments | Reading(3)
Code: